旭彩网

电话:0769-87320500 传真:0769-87320500
新闻内容

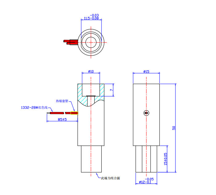
X1550L吸盘电磁铁DC24V汽车制造刹车片液压机械快速制动

[日期:2021-12-14] 来源:  作者:yuan [字体: ]

 

 

产品参数:

工作 电压:DC24V

电     流: 800mA

功     率: 1.92W

直流 电阻: 300Ω ±5%

 

产品尺寸:

同款产品:

 

 

 

 

      磁心科技专业生产各种类型的电磁铁,欢迎来图来样定制,我司将竭诚为您服务!